Information Center
-
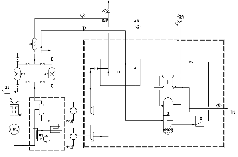
Process Introduction 0005: 14000 Series - Liquid Oxygen/Liquid Nitrogen/Liquid Argon Cryogenic Air Separation Plant
14000 Series - Liquid Oxygen/Liquid Nitrogen/Liquid Argon Cryogenic Air Separation Plant
넶109 2023-02-21 -
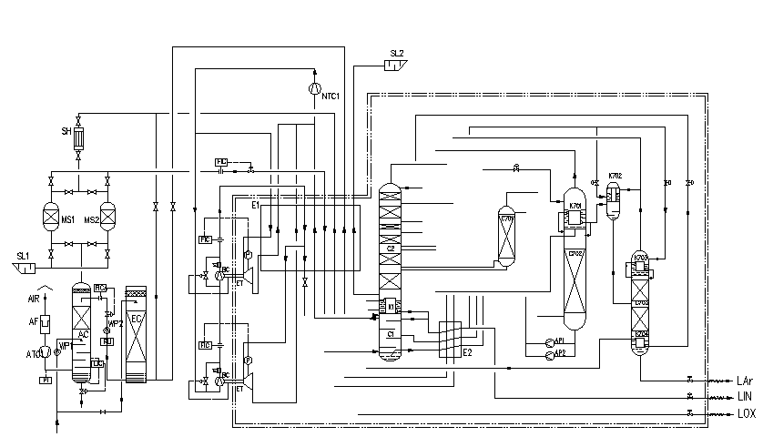
Process Introduction 0004: 11000 Serioes-GAN/LIN Cryogenic Air Separation Plant
11000 Series-GAN/LIN Cryogenic Air Separation Plant
넶141 2023-02-21 -
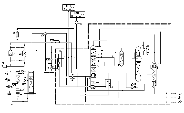
Process Introduction 0003: 12000 Series - Gas Oxygen/Gas Nitrogen/Liquid Argon Cryogenic Air Separation Plant - Internal Compression
12000 Series - Gas Oxygen/Gas Nitrogen/Liquid Argon Cryogenic Air Separation Plant - Internal Compression
넶94 2023-02-21 -
Process Introduction 0002: 15000 Series - Liquid Oxygen Liquid Nitrogen Cryogenic Air Separation Plant
15000 Series - Liquid Oxygen Liquid Nitrogen Cryogenic Air Separation Plant
넶130 2023-02-21
CONTACT INFORMATION
Mobile: +86 18936090872
Tel: +86 512 69552989
Email: sales@wintekgroup.com
Skype ID: rongqiang.wang
Telegram/Whatsapp/Wechat ID:+86 18936090872
OFFICIAL WECHAT
QUICK LINKS
- Homepage
- about us
- Hardware Display
- software display
- development process